Особенности системы охлаждения
Центробежный насос (помпа) на ЗМЗ-406 приводится в действие с помощью поликлинового ремня. Термостат работает в двух режимах: на холодном двигателе (до 70-80 °С) охлаждающая жидкость движется по малому кругу, минуя радиатор, при дальнейшем нагреве начинает открываться основной клапан, радиатор включается в работу. При достижении отметки 94 °С основной клапан открывается полностью, вся жидкость проходит через радиатор.
Вентилятор системы включается от датчика ТМ-108 92-87.

Схема устройства системы охлаждения двигателя ЗМЗ 406
Следует помнить, что отопительный радиатор салона постоянно подключен к системе охлаждения.

Радиатор охлаждения мотора ЗМЗ 406
Чиним сами
Как правило, цена диагностики и работы мастера СТО или электрика достаточно дорога. Поэтому есть смысл самостоятельно проверить проводку ГАЗели. Очень часто причиной подобных внезапных отказов является потеря контакта с массой авто. Причем, такая неприятность встречается у многих отечественных авто — та же проводка Москвич 2141 к примеру.

Вот этот провод следует всегда держать на контроле. Источник
Чинится такая неисправность при обнаружении достаточно легко:

Отключили старый провод на машине – отметьте его на новой. Такой подход существенно упростит работу и поможет избежать ошибок
Модификации двигателя ЗМЗ 405
- ЗМЗ 4052.10 — основной мотор. Используется на автомобилях Волга и Газель.
- ЗМЗ 40522.10 — аналог 4052.10, соответствует экологическим нормам Евро-2. Используется на автомобилях Газель и Волга.
- ЗМЗ 40524.10 — аналог 40522.10, соответствует экологическим нормам Евро-3. Используется на легковых автомобилях Волга.
- ЗМЗ 40525.10 — аналог 40522.10, соответствует экологическим нормам Евро-3. Используется на грузовых автомобилях Газель.
- ЗМЗ 4054.10 — турбо версия 405, стальной коленвал, кованая поршневая, интеркулер, СЖ 7.4, мощность 195 л.с./4500 об.мин, момент 343 Нм/об.мин. Производился мелкосерийно, стоил неадекватно дорого, поэтому тюнинговщики предпочитали ставить проверенные Toyota 1JZ / 2JZ.
Теперь нужно купить :
- Коренные и шатунные вкладыши;
- Поршни с комплектом колец.
Расточив, моем детали керосином, выкручиваем четыре заглушки. В глухих резьбовых отверстиях не допустимо нахождение масла, тосола, мусора — т.к. жидкость не сжимается и резьба повредиться. Проверяем ГБЦ , т.е. плоскость прилегания к блоку, клапана, направляющие клапанов, меняем маслосъёмные колпачки.
ГБЦ не лишне отвезти на шлифовку на завод, поскольку слишком муторно и не удобно притирать 16 клапанов. Когда всё готово можно приступать к сборке двигателя.
При сборке важно работать с чистыми руками и инструментами. Болты, гайки и т.д. с плохой резьбой заменяем на новые, лучше не экономить
Затягивать надо без усилий — резьба легко может сорваться, а процесс восстановления очень сложный. Не лишним будет промазать герметиком все прокладки, а места прикосновения с ними протереть обезжирить растворителем
с плохой резьбой заменяем на новые, лучше не экономить. Затягивать надо без усилий — резьба легко может сорваться, а процесс восстановления очень сложный. Не лишним будет промазать герметиком все прокладки, а места прикосновения с ними протереть обезжирить растворителем.
В итоге мотор при работе будет чистый, ничего не будет подтекать.
Ложем ГБЦ вставим упорные полукольца КВ антифрикционным слоем наружу.
Блок цилиндров, головка, кривошипно-шатунный механизм УМЗ-4216
Блок цилиндров двигателя УМЗ-4216 отлит из алюминиевого сплава заодно с чугунными гильзами цилиндров. Номинальный диаметр гильз 100 мм. Для более равномерного охлаждения гильз в межцилиндровых перемычках блока предусмотрены протоки для прохода охлаждающей жидкости.
Головка блока цилиндров двигателя УМЗ-4216 из алюминиевого сплава со вставленными седлами и направляющими втулками клапанов. Блок цилиндров и головка блока разделены прокладкой из асбестового полотна, армированного металлическим каркасом. Толщина прокладки в сжатом состоянии 1,5 мм. Для совмещения отверстий подвода масла на блоке цилиндров и прокладке, она должна устанавливаться выступом в сторону картера сцепления.
Каталожные номера деталей и узлов блока цилиндров двигателя УМЗ-4216.
После обкатки автомобиля, через 2000 километров пробега, и после каждого снятия головки блока цилиндров необходимо производить подтяжку гаек крепления головки с использованием динамометрического ключа. Подтяжку надо производить только на холодном двигателе.
Для обеспечения равномерного и плотного прилегания прокладки к головке блока и на блок цилиндров, затяжку гаек производить в последовательности указанной на рисунке ниже, в два приема. Первый раз — предварительно с меньшим усилием, момент затяжки 5,0-6,5 кгсм, второй раз — окончательно, момент затяжки 9,0-9,5 кгсм.
Порядок подтяжки гаек головки блока цилиндров двигателя УМЗ-4216.
Каталожные номера деталей и узлов головки блока цилиндров двигателя УМЗ-4216.
Кривошипно-шатунный механизм двигателя УМЗ-4216, устройство.
Коленчатый вал двигателя УМЗ-4216 пятиопорный, отлит из высокопрочного чугуна. В шатунных шейках имеются полости для дополнительной центробежной очистки масла. Моторное масло от коренных шеек в полости шатунных подводиться через сверленые каналы. К коренным шейкам масло поступают из каналов блока цилиндров. Передний конец коленчатого вала уплотняется самоподжимным сальником, работающим по наружной поверхности ступицы шкива коленчатого вала.
Передний конец коленчатого вала двигателя УМЗ-4216.
Усилие, направленное вдоль оси коленчатого вала при выключении сцепления, воспринимается упорными подшипниками, установленными на передней опоре коленчатого вала. Задний конец коленчатого вала также уплотняется самоподжимным сальником, работающим по цилиндрическому хвостовику диаметром 80 мм.
Уплотнение заднего конца коленчатого вала двигателя УМЗ-4216 с элементами уплотнения картера сцепления.
Каталожные номера деталей и узлов кривошипно-шатунного механизма двигателя УМЗ-4216.
Вкладыши коренных и шатунных подшипников коленчатого вала.
Вкладыши подшипников коленвала изготовлены из стальной ленты, залитой антифрикционным сплавом на основе алюминия.
Маховик.
Маховик двигателя УМЗ-4216 чугунный, со стальным зубчатым венцом для пуска двигателя стартером, крепиться к торцу коленчатого вала семью самостопорящимися болтами. Коленчатый вал отбалансирован в сборе с маховиком и сцеплением.
Шатуны.
Шатуны стальные, кованые, двутаврового сечения. В верхние головки шатунов запрессованы тонкостенные втулки из оловянистой бронзы. Для смазки поршневого пальца в верхней головке шатуна имеется отверстие, совпадающее с отверстием во втулке. Стопорение гаек шатунных болтов и шпилек крепления крышек коренных подшипников выполнено анаэробным герметиком. В случае разборки указанных соединений необходимо тщательно удалить нанесенный герметик. При сборке на резьбовые части болта следует нанести свежий герметик и произвести затяжку соединения.
Поршни двигателя УМЗ-4216.
Поршни выполнены из алюминиевого сплава. В верхней части поршня имеется три канавки для поршневых колец. Юбка поршня в горизонтальном сечении имеет овальную форму. Большая ось овала перпендикулярна оси бобышек под поршневой палец. В вертикальном сечении юбка имеет так называемый бочкообразный профиль.
Поршневые кольца.
Устанавливаются по три на каждом поршне. Два компрессионных и одно маслосъемное. Кольца изготовлены из специального чугуна. Наружная поверхность верхнего компрессионного кольца имеет бочкообразный профиль и хромовое покрытие. Второе компрессионное кольцо имеет фосфатное покрытие темного цвета. На верхнем торце кольца имеется метка TOP. Рабочая поверхность кольца коническая с большим диаметром у нижнего торца кольца. Угол наклона образующей конуса 1 градус -1 градус 50 минут.
Маслосъемное кольцо с двумя хромированными выступами на рабочей поверхности. Маслосъемное кольцо имеет радиальный расширитель в виде браслетной пружины. При установке колец на поршень стыки колец должны быть разведены по отношению друг к другу на 120 градусов.
Руководство по эксплуатации на Газель Бизнес ГАЗ-3302, ГАЗ-2705, ГАЗ-3221 с двигателями УМЗ-4216, УМЗ-42164, УМЗ-42165, Evotech А274, Evotech А275, 3302-3902010-20 РЭ.
О книге:Издание:Формат книги:Страниц:Язык:Размер:Скачать книгу:
1. ПАСПОРТНЫЕ ДАННЫЕ2. ВАШЕМУ ВНИМАНИЮ3. ПРАВИЛА ТЕХНИКИ БЕЗОПАСНОСТИ4. ТЕХНИЧЕСКАЯ ХАРАКТЕРИСТИКА5. ОРГАНЫ УПРАВЛЕНИЯ И ПРИБОРЫ6. ДВЕРИ, СИДЕНЬЯ И РЕМНИ БЕЗОПАСНОСТИ7. ОБКАТКА НОВОГО АВТОМОБИЛЯ
8. ЭКСПЛУАТАЦИЯ АВТОМОБИЛЯ
8.1. Пуск двигателя 8.2.Движение автомобиля 8.3. Торможение и стоянка 8.4. Буксирные приспособления 8.5. Отопление, вентиляция и кондиционирование кабины (салона) 8.6. Приборы освещения и световой сигнализации 8.7. Стеклоочиститель и стеклоомыватель 8.8. Предохранители 8.9. Система управления двигателем 8.10. Генераторная установка 8.11. Стартер 8.12. Антиблокировочная система тормозов
9. ТЕХНИЧЕСКОЕ ОБСЛУЖИВАНИЕ АВТОМОБИЛЯ
9.1. Проверка уровня масла в картере двигателя 9.2. Проверка уровня масла в коробке передач, в раздаточной коробке (для автомобилей с колесной формулой 4×4), в переднем (для автомобилей с колесной формулой 4×4) и в заднем мостах 9.3. Проверка уровня охлаждающей жидкости 9.4. Проверка уровня тормозной жидкости в бачке главного тормозного цилиндра 9.5.Проверка уровня электролита в аккумуляторной батарее 9.6. Проверка уровня масла в бачке системы гидроусилителя руля 9.7. Натяжение ремней привода агрегатов 9.8. Регулятор давления 9.9. Свечи зажигания 9.10. Уход за колесами и шинами 9.11. Замена колес 9.12. Уход за кабиной, кузовом 9.13. Инструмент и принадлежности 9.14. Виды технического обслуживания автомобиля
9.15. Работы, выполняемые при техническом обслуживании
9.15.1 Ежедневное техническое обслуживание (ЕО) 9.15.2 Периодическое техническое обслуживание (ТО) 9.15.3 Смазка автомобиля 9.15.4. Карта смазки 9.15.5. Зарубежные аналоги смазочных материалов и эксплуатационных жидкостей 9.15.6. Топливо, применяемое на автомобиле
10. ПРАВИЛА ХРАНЕНИЯ И ТРАНСПОРТИРОВАНИЯ АВТОМОБИЛЯ11. УТИЛИЗАЦИЯ
12. ПРИЛОЖЕНИЯ
12.1. Радиооборудование 12.2. Тахограф 12.3. Установка каркаса тента на платформу автомобиля 12.4. Заправочные объемы 12.5. Лампы, применяемые на автомобиле 12.6. Подшипники качения, применяемые на автомобиле 12.7. Манжеты, применяемые на автомобиле 12.8. Моменты затяжки ответственных резьбовых соединений 12.9. Эксплуатационные материалы 12.10. Перечень изделий, содержащих драгоценные металлы
Предупреждение!
Электронная версия данной книги создана исключительно для ознакомления только на локальном компьютере. Скачав файл, вы берете на себя полную ответственность за его дальнейшее использование и распространение. Начиная загрузку книги, вы подтверждаете свое согласие с данными утверждениями.
Реализация данной электронной книги с целью получения прибыли незаконна и запрещена. По вопросам приобретения данной книги обращайтесь непосредственно к законным издателям или их представителям.
Руководство по эксплуатации на Газель Бизнес ГАЗ-3302, ГАЗ-2705, ГАЗ-3221 с двигателями УМЗ-4216, УМЗ-42164, УМЗ-42165, Evotech А274, Evotech А275, 3302-3902010-20 РЭ — СКАЧАТЬ КНИГУ >>>
Технические характеристики
Двигатель 405 («Газель», «Соболь») технические характеристики имеет следующие:
- Объем – 2,484 литра.
- Мощность – 115-140 л. с.
- Диаметр поршня – 95,5.
- Ход поршня – 86.
- Число клапанов – 16 (по 4 на каждый цилиндр).
- Количество цилиндров – 4.
- Вес – 184 кг.
- Экологические нормы – Евро 0-4.
- Средний расход топлива – 9,5 л/100 км (город – 11 л, трасса – 8 л).

Смотреть галерею
Одной из конструктивных особенностей 405-го двигателя является то, что он прекрасно адаптирован для использования в любом климате и выдерживает температуры от -40 до +40. При этом жидкостная система охлаждения справляется со всеми нагрузками, и мотор не перегревается.
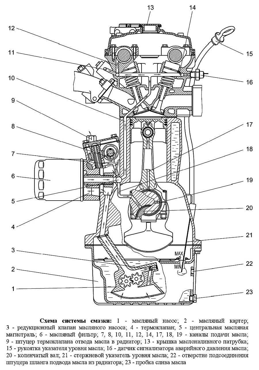
Система смазки ЗМЗ 406
Моторная смазка, находящаяся в поддоне картера, через масло приёмный сетчатый фильтр забирается шестеренчатым насосом и под давлением перемещается в масляный фильтр, где удаляются даже самые мелкие примеси. После очистки масло поступает в каналы коленвала. Далее прокачивается внутри шеек коленвала, где обеспечивает надёжную смазку трущихся деталей. Далее, под давлением, через канал в шатуне, масло смазывает палец поршня и часть масла попадает на днище поршня, тем самым охлаждая его. Выполнив свою задачу, моторная смазка стекает в поддон картера и процесс смазки повторяется снова.

Двигатель ЗМЗ-406
Выпуск силового агрегата начат в 1997 году. Большинство двигателей карбюраторные, работают только на бензине. Впервые на этом моторе конструкторами ЗМЗ была опробована система топливного впрыска. Агрегат надёжный, экономичный и неприхотливый в эксплуатации. Долгие годы служил главной силовой установкой на автомобилях ГАЗа.

Основными недостатками мотора считаются:
- Повышенный шум механизма газораспределения вследствие неудачной конструкции гидравлического натяжителя цепи.
- Быстрый износ масляных колпачков на клапанах со значительным увеличением расхода масла.
- Нестабильная работа гидрокомпенсаторов зазоров на клапанах.
- Быстрый износ деталей шатуна и поршневой группы.
Двигатель выпускался с 1997 по 2008 год включительно. Все моторы были карбюраторного типа. В рамках опытной эксплуатации небольшая партия агрегатов вышла с инжекторами. Расположение цилиндров рядное, количество цилиндров 4 шт. Силовая установка одна из первых в России получила 16-ти клапанный механизм газораспределения. Коленчатый вал обеспечивает поршню ход 86 мм при диаметре цилиндров 92 мм. Степень сжатия топливно-воздушной смеси – 9,3. Общий рабочий объём цилиндров двигателя составляет 2286 см3, при этом мотор способен развивать мощность до 140,5 л.с. с крутящим моментом 201 Н·м.
В качестве топлива разрешено использование автомобильного неэтилированного бензина с октановым числом не ниже 92. Общая масса двигательной установки составляет 187 кг. Средее потребление топлива в режиме езды по городу для легкового автомобиля — 13,5 литров на 100 км. Среднестатистический пробег двигателя легкового автомобиля до ремонта – 150000 км.
В головке цилиндров встроена система клапанов в сборе. Регулировка зазоров между кулачком распредвала и клапаном осуществляется автоматически системой толкателей с гидрокомпенсаторами. Цепь ГРМ натягивается автоматически гидронатяжителем.
Плюсы и минусы
Преимуществами силовых приводов семейства 405 производителя ЗМЗ являются:
- головка блока цилиндров доработана за счет применения двухслойной металлической прокладки толщиной 0,5 мм с пружинящими элементами;
- блок цилиндров снизил вес на 1,35 кг, так как навесное частично демонтировано – больше нет ДПДЗ, патрубков и регулятора ХХ;
- трехкомпонентный каталитический нейтрализатор для обеспечения регламента Евро-3;
- механический тюнинг инженерами завода позволил снизить расход топлива до 8,8 л/100 км по трассе;
- использована система доочистки смазки.
Углом опережения зажигания управляет микропроцессор электронной системы, что, с одной стороны, является плюсом, с другой – минусом, так как усложняется ремонт на трассе. За счет гидрокомпенсации теплового зазора клапанов снизился эксплуатационный бюджет, теперь пользователю не нужно регулярно посещать СТО для регулировки клапанов.
Путь от 402 к 406
К сожалению, 402 двигатель имел ряд недостатков, которые со времени пытались устранить. Так например, он постоянно перегревался. Чаще всего случаи перегрева замечались в летнее время. Машина начинала кипеть, двигатель требовал ремонт. Все недостатки были исправлены позднее. В ходе реконструкции появилась новая модель 406. Эта модель была похожа на предыдущие, но отличалась более высокой прочностью.
Отличительной чертой была надежность, поэтому модель до сих пор занимает лидирующие позиции на рынке. Ремонт двигателя производится на показателях пробега 200-300 км. Однако, стоимость будет достаточно высокой. Двигатель имеет систему диагностики, которая позволяет оценивать рабочий запас.

Электронные приборы способны выводить данные, сохранять их и ликвидировать устаревшие показатели. Всегда под контролем находится работа мотора. Все неисправности закодированы, а их расшифровка хранится в сервисной книжке. Те, что постоянно повторяются, удаляются самостоятельно. Чтобы узнать о данных, которые хранит мотор, необходимо приобрести специальный тестер. С его помощью можно вывести все данные на компьютер. Его подключают к колодке диагностического разъема.
Правда, сделать это могут только специалисты. Стоимость достаточно приемлемая. Если отключить аккумулятор, то все сведения сотрутся. Это не стоит сбрасывать со счетов. Однако, на работу движка этот факт совсем не оказывает влияния. Главное, что двигатель не требует никаких доработок и имеет низкий расход топлива. Если расход топлива становится высоким, то следует искать причину, по которой это происходит.

Разобранный карбюратор двигателя ЗМЗ 406
Возможно, что все дело в фильтрах, которые пора менять. 406 двигатель привлекает своей доступностью в цене и распространенностью в продаже. Его можно найти совершенно без проблем по привлекательной цене. Он не требует никаких дополнительных вложений. Отзывы о нем положительные. Владельцы такого мотора отмечают, что он не капризный, надежный, прочный. Это не может не радовать тех, кто собрался приобрести его.
Тюнинг двигателя ВолгаГазель ЗМЗ-406
Форсирование ЗМЗ 406
1-ый вариант роста мощности мотора, по традиции, атмосферный, а означает ставить будем валы. Начнем со впуска, ставим забор прохладного воздуха, ресивер большего объема, распиливаем ГБЦ, дорабатываем камеры сгорания, увеличиваем поперечник каналов, шлифуем, ставим надлежащие, облегченные Т-образные, клапаны, пружины 21083 (для злых вариантов от Бмв), валы (к примеру ОКБ Движок 38/38). Крутить штатную, тракторную поршневую нет смысла, потому покупаем кованые поршни, легкие шатуны, облегченный коленвал, балансируем. Выброс на 63 мм трубе, прямоточный и все это настраиваем онлайн. Мощность на выходе приблизительно до 200 л.с. а нрав мотора получит ярко-выраженный спортивный колер.
ЗМЗ-406 Турбо. Компрессор
Если же 200 л.с. вам детские забавы и охото реального огня, тогда наддув это ваш путь. Чтобы мотор нормально переносил высочайшее давление, мы поставим усиленную кованую поршневую группу под низкую СЖ
8, в остальном конфигурация подобна атмосферному варианту. Турбина Garrett 28, коллектор под нее, пайпинги, интеркулер, форсунки 630сс, выброс 76мм, ДАДДТВ, настройка на Январе. На выходе имеем около 300-350 л.с. Можно поменять форсунки на более производительные (от 800сс), ставить Garrett 35 и дуть пока мотор не развалится, таким макаром можно выдуть 400 и поболее л.с. Что касается компрессора, все аналогично турбированию, но заместо турбины, коллекторов, пайпов, интеркулера, мы ставим компрессор (к примеру Eaton M90), настраиваемся и едем. Мощность компрессорных вариантов ниже, но мотор беспровальный и тянет с низов.
РЕЙТИНГ Мотора: 3
Волга ГАЗ-31105 с двигателем «Крайслер» материалы:
Двигатель 2,4L руководство по ремонту. (pdf 2.2Mb) скачать
Система охлаждения двигателя 2,4L руководство по ремонту. (pdf 2.2Mb) скачать
Система питания двигателя 2,4L руководство по ремонту. (pdf 2.2Mb) скачать
Система улавливания паров топлива двигателя 2,4L руководство по ремонту. (pdf 2.2Mb) скачать
Сцепление двигателя 2,4L руководство по ремонту. (pdf 2.2Mb) скачать
Рулевое управление Волга ГАЗ-31105 с двигателем «Крайслер» 2,4L руководство по ремонту. (pdf 2.2Mb) скачать
Генератор и стартер Волга ГАЗ-31105 с двигателем «Крайслер» 2,4L техническое обслуживание. (pdf 2.2Mb) скачать
Схема электрооборудования Волга ГАЗ-31105 с двигателем «Крайслер» 2,4L. (pdf 2.2Mb) скачать
Коробка переключения передач
Стандартная пятиступенчатая коробка передач ГАЗ 3302 ничем не отличается от той, что устанавливается на Волгу. Отличия заключаются в количестве зубьев на валу и шестерне, а также количеством передаточных чисел. При острой необходимости можно установить коробку от Волги на Газель.

Схема устройства коробки передач Газели
Неисправность коробки выявляется водителем в ходе эксплуатации путем внешних факторов: трудность переключения передач на определенных ступенях. Причиной этой неполадки являются заусенцы, появившиеся на зубьях муфты. В лучшем случае зубья нужно прочистить, однако при запущенном положении придется менять рычаг переключения.
Неполадка в синхронности при переключении. Руководство по ремонту объясняет эту проблему порчей кольца синхронизации. Единственный выход — заменить кольцо.
Худшая поломка — самостоятельное переключение передач. Этот дефект возникает из-за износа деталей коробки и пружины фиксатора. Единственно возможное решение — покупка поддержанных деталей. Если возможность замены временно отсутствует, можно ослабить крепление коробки с картером механизма сцепления. Это наиболее частые поломки, проблемы и недостатки данной модели автомобиля. Зная такие хитрости, каждый водитель сможет быстро избавиться от поломки.
Двигатель 406 — описание
Двигатель внутреннего сгорания марки ЗМЗ 406 производится на Заволжском моторном заводе, который является основным поставщиком комплектующих для Горьковского автозавода (ГАЗ). Также предприятие ЗМЗ занимается изготовлением двигателя модели 405. Эти два мотора стали настоящей гордостью Заволжского завода. По своей конструкции и техническим данным они несколько отличаются друг от друга. Но всё же их принцип работы знает чуть ли не каждый автолюбитель.

На какие автомобили устанавливается данная модель двигателя?
Чаще всего двигатель 406-ой модели устанавливался на «Волгу» модели 31105, а также на хорошо известные «Газельки». Причём с 2003 года Горьковский завод полностью обновил технические характеристики всех моделей этих грузовиков. С того момента 402-е моторы полностью ушли с производства и больше не устанавливались ни на один современный грузовик. На их смену пришли два новых агрегата – ЗМЗ 406 и ЗМЗ 405.
406 двигатель — характеристики и описание
Данная модель двигателя вышла в серийное производство ещё в 1997-м году. Но, несмотря на это, автомобили ГАЗ 3302 «ГАЗель» вплоть до 2003 года укомплектовывались только 402-ми двигателями. Новинка работала на 92-м бензине. Главная деталь, отличающая ее от остальных моделей – это впрыск топлива, который впервые был разработан инженерами на Заволжском заводе. За свой долгий период существования двигатель 406-ой модели обрёл огромную популярность и стал одним из самых распространённых на территории России. Такую популярность он завоевал благодаря своей надёжной конструкции и экономичному расходу топлива.

История создания
При эксплуатации 405-го мотора были заметны существенные недостатки: в жаркие летние дни «Волги» и «Газели» попросту перегревались и кипели (наверное, каждый видел такое явление, когда под капотом «ГАЗели» находилась пустая полиэтиленовая бутылка). Это говорило о недоработках в системе охлаждения. Многие водители устанавливали трёхсекционный радиатор на место серийного двухсекционного, но всё же двигатель иногда давал о себе знать. Инженеры Заволжского моторного завода понимали, что дальше так идти не может, и приступили к разработке нового инжекторного двигателя ЗМЗ 406. Он не был разработан с нуля – вся его конструкция напоминала 405-й мотор. Но теперь все недостатки были учтены и не вошли в новый двигатель 406 (инжектор).

Какие изменения в этих двух моделях?
Итак, самое первое отличие 406-го мотора – это наличие инжектора. Карбюратор имел свои недостатки и был ненадёжным. Мощность новинки составляла 145 лошадиных сил. Рабочий объём — 2.4 литра. Агрегат имеет значительно меньший расход топлива, а в зимний период очень легко заводится. Также этот мотор отличается своей высокой надёжностью, чего не скажешь про модель 405. Собственно, это и есть главные преимущества, из-за которых многие автомобилисты выбирают двигатель 406-ой модели.
Капитальный ремонт
Примерно черед 200-300 тысяч километров этот мотор требует капитального ремонта. Эта процедура стоит значительно дороже, нежели ремонт ЗМЗ 402 и 405 (примерно 30-40 тысяч рублей). А всё из-за сложной конструкции агрегата. Поэтому, эксплуатируя «ГАЗель», следует помнить, что примерно через 3-4 года она потребует существенных затрат на ремонт.
Схемы топливной системы и зажигания для Газели с двигателем 406
Коммерческие автомобили ГАЗ начали выпускаться в 1994 году, поначалу комплектовались только движками ЗМЗ-402. Позже на этих машинах стали устанавливаться карбюраторные 16-клапанные моторы ЗМЗ-4061.10 (под бензин А-76) и ЗМЗ-4063.10 (для работы на топливе Аи-92).
ЗМЗ-4063 – это двигатель внутреннего сгорания (ДВС), который уже не выпускается Заволжским моторным заводом, но эксплуатируется и по сегодняшний день. Мотор имеет электронную систему зажигания, но при этом топливную систему с карбюраторным впрыском (КВ), модель карбюратора, устанавливаемая с завода – К151Д. Электросхема зажигания – микропроцессорная, в ее состав входят элементы:
- электронный блок управления;
- две сдвоенные катушки;
- высоковольтные провода с наконечниками;
- датчики положения коленчатого и распределительного валов;
- свечи зажигания;
- температурный датчик охлаждающей жидкости;
- проводка («коса»).
Система (схема) питания у автомобилей с КВ очень простая, состоит из минимума компонентов, и это:
- бензобак;
- топливопроводы, включая шланги подачи и «обратку»;
- топливные фильтры тонкой/грубой очистки;
- механический бензонасос;
- воздушный фильтр корпусом;
- карбюратор.
При желании на Газель с ДВС ЗМЗ-4063 можно установить газобаллонное оборудование (ГБО), но только первого или второго поколения, купить его можно очень недорого. Только здесь есть один существенный минус – оборудование уже считается устаревшим, не отвечает всем современным требованиям безопасности.
Двигатель УМЗ-4216 «Газель»
УМЗ-4216 — бензиновый 4-тактный ДВС с объемом 2,89 л и мощностью 90,5 кВт. Устанавливается на «Газель-Бизнес» и «Газель-Некст». Двигатель имеет оригинальную конструкцию алюминиевого блока цилиндров, а также коленчатые валы с закалкой шатунных и коренных шеек
Среди модификаций нужно выделить:
- УМЗ-4216.10 — имеет 123 л.с., соответствует Евро-3 и использует 92 бензин.
- УМЗ-42161.10 — вариант на 93 л.с.
- УМЗ-42164.10 — мощность 124 л.с., мотор отвечает стандарту Евро-4 (самый мощный и экологичный в серии).
- УМЗ-421647.10 и УМЗ-42167.10 — газобензиновые моторы с мощностью 100 и 123 л.с. соответственно.
Двигатель очень надежный благодаря использованию более совершенных комплектующих.




























