12.1. ГАЗ. Эксплуатация, обслуживание и ремонт автомобилей ГАЗ-53А и ГАЗ-66. Схемы электрооборудования
СХЕМЫ ЭЛЕКТРООБОРУДОВАНИЯ
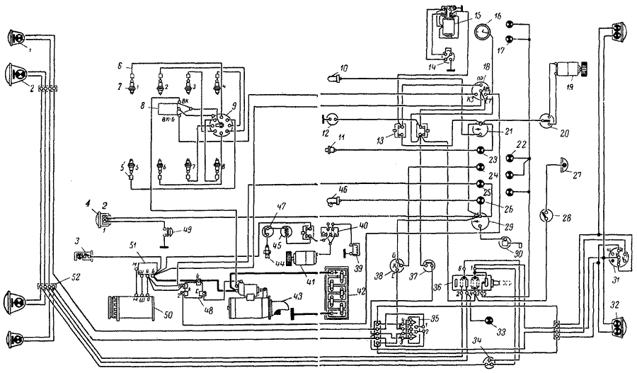
Электрооборудование автомобилей выполнено по однопроводной схеме. Вторым проводом являются металлические части автомобиля (масса). С массой соединены все минусовые клеммы всего электрооборудования. Номинальное напряжение 12 в. На рис. 122, 123 и 124 показаны принципиальные схемы электрооборудования автомобилей.

рис. 122. Схема электрооборудования автомобиля ГАЗ-53А: 1— подфарник; 2 — фара; 3 — подкапотная лампа; 4 — сигнал; 5 — гасящее сопротивление; 6 — провод высокого напряжения; 7 — свеча зажигания; 8 — катушка зажигания; 9 — распределитель; 10 — датчик температуры охлаждающей жидкости; 11 — датчик давления масла; 12 — штепсельная розетка переносной лампы; 13 — биметаллический предохранитель; 14 — переключатель стеклоочистителя; 15 — стеклоочиститель; 16 — часы; 17 — лампа освещения часов; 18 — включатель зажигания и стартера; 19 — электродвигатель отопителя; 20 — переключатель электродвигателя; 21 — указатель температуры охлаждающей жидкости; 22 — лампа освещения приборов; 23 — контрольная лампа давления масла; 24 — контрольная лампа указателя поворотов; 25 — контрольная лампа зарядки; 26 — контрольная лампа температуры охлаждающей жидкости в радиаторе; 27 — плафон; 28 — включатель плафона; 29 — указатель уровня топлива; 30 — датчик указателя уровня топлива ; 31 — штепсельная розетка прицепа; 32 — задний фонарь; 33 — контрольная лампа дальнего света; 34 — ножной переключатель света; 35 — переключатель указателей поворотов; 36 — центральный переключатель света; 37 — включатель света «Стоп»; 38 — прерыватель указателей поворота; 39 — электромагнитный клапан предпуского подогревателя; 40 — переключатель режимов работы предпускового подогревателя; 41 — электродвигатель вентилятора предпускового подогревателя; 42 — аккумуляторная батарея; 43 — стартер; 44 — запальная свеча предпускового подогревателя; 45 — дополнительное сопротивление; 46 — датчик контрольной лампы температуры охлаждающей жидкости в радиаторе; 47 — включатель запальной свечи; 48 — дополнительное реле стартера; 49 — включатель звукового сигнала; 50 — генератор; 51 — реле-регулятор; 52 — соединительная панель.

рис. 123. Схема электрооборудования автомобиля ГАЗ-66: 1— подфарник; 2 — фара; 3 — соединительная панель; 4 — сигнал; 5 — включатель сигнал; 6 — генератор; 7 — реле-регулятор; 8 — датчик температуры охлаждающей жидкости; 9 — контрольная лампа температуры охлаждающей жидкости в радиаторе; 10 — контрольная лампа зарядка; 11 — контрольная лампа указателей поворота; 12 — контрольная лампа давления масла; 13 — указатель температуры охлаждающей жидкости; 14 — включатель электродвигателя отопителя; 15 — электродвигатель отопителя; 16 — лампа освещения щитка приборов; 17 — включатель плафона кабины; 18 — плафон кабины; 19 — датчик давления масла; 20 — датчик температуры охлаждающей жидкости; 21 — свеча подогревателя; 22 — катушка зажигания; 23 — свеча зажигания; 24 — гасящее сопротивление; 25 — распределитель; 26 — датчик правого топливного бака; 27 — задний фонарь; 28 — включателя зуммера; 29 — включатель плафона кузова; 30 — плафон кузова; 31 — соединитель проводов; 32 — штепсельная розетка прицепа; 33 — датчик левого топливного бака; 34 — выключатель массы; 35 — аккумуляторная батарея; 36 — электромагнитный клапан; 37 — кнопочный предохранитель подогревателя; 38 — контрольная спираль; 39 — включатель свечи; 40 — переключатель электродвигателя подогревателя; 41 — электродвигатель подогревателя; 42 — стартер; 43 — зуммер; 44 — ножной переключатель света; 45 — контрольная лампа дальнего света; 46 — центральный переключатель света; 47 — переключатель датчиков топливных баков; 48 — включатель поворотной фары; 49 — включатель зажигания и стартера; 50 — включатель света «Стоп»; 51 — переключатель указателей поворота; 52 — прерыватель; 53 — штепсельная розетка переносной лампы; 54 — кнопочный предохранитель; 55 — дополнительное реле стартера; 56 — поворотная фара; 57 — указатель топлива; 58 — подкапотная лампа; 59 — электродвигатель стеклоочистителя; 60 — переключатель электродвигателя стеклоочистителя.
Источник статьи: http://vajnovsem.ru/ins-gaz-sobol/gaz66gaz53a-75.html
Схема электрооборудования автомобилей ВАЗ-2105 и ВАЗ-2104
Также система проводки включает в себя электросхему приборной панели и запуска мотора. Практически все оборудование «пятерки» обозначается отдельными приложениями в сервисном мануале, что во многом облегчает процедуру ремонта и диагностики.
К примеру, автовладельцы часто сталкиваются с проблемой некорректно работающий указателей поворотов, а также противотуманной оптики. Вполне возможно такое, что устройства отказываются нормально функционировать при некорректно работающем генераторе.
Разумеется, при наличии схемы обнаружить неисправность будет значительно легче. Следует отметить, что инжекторные версии, в отличие от карбюраторных, более сложные в силу наличия дополнительных датчиков и регуляторов, форсунок и прочих компонентов. Различается несколько видов состояния электроцепи «пятерки», когда автовладельцам приходится искать неисправность:.
В том случае, если пытаясь завести схема электропроводки ваз 2105 карбюратор с описанием, этого схема электропроводки ваз 2105 карбюратор с описанием не выходит, а бензин без проблем поступает в агрегат, вероятнее всего, проблему необходимо искать именно в цепи:. Предохранители ВАЗ несут ответственность за потребителей электрической энергии и их цепи, причем у всех они разные.
Модуль управления светом на иж ода
Собственно МУС — модуль управления светом. Зачем это нужно? Удобно и практично, есть режим «авто», габариты и фары включаются вместе с зажиганием, что очень удобно в свете последних изменений в ПДД, регулятор подсветки приборов с ШИМ, то есть нормально регулирует светодиодную подсветку панели приборов, ну и пустующую дырку занять можно.
По габаритам почти совпадает с дыркой слева от магнитолы. Для установки только нужно практически полностью вырезать заглушку, оставить тонкий ободок, по месту всё понятно. Получается примерно так:
Возникает правда мысль о доведения гнезда до нужных размеров без проставки из заглушки, как придумаю так — сделаю.
Подключается просто, из старого выключателя света вынимается задняя часть с контактами, с внутренней стороны припаиваются провода с клеммами, получаем переходник, хотя можно и порезать штатную проводку, избавиться от лишнего разъема.
Маркировка выводов на МУСе есть, соответственно подключаем: 58b — подсветка приборов, подключить нужно после штатного реостата, который обязательно отключаем и снимаем 58 — габариты Хz — зажигание (15\2!) 30 — + это то что совпадает со штатной проводкой. дальше: 31 — масса
1 — на реле ЗПТФ 2 — контрольная лампа ЗПТФ 3 — контрольная лампа ПТФ 4 — на реле ПТФ
G и 56b — выводы задатчика корректора фар (в оригинале электроника встроена в сами моторчики). С корректорм не возился, оставлен штатный пока.
под капотом поставил два реле, + с блока дополнительных предохранителей, с контактов МУС 1 и 4 + идет на обмотки реле, на 2 и 3 нужно подать + с выхода реле, тогда контрольные светодиоды будет показывать не нажатие кнопки, а включение реле
Из разъема ЧЯ Ш2-1 вынимаем оранжевый (в моем случае) провод, который идет от штатной кнопки ЗПТФ, и вставляем туда свой провод, от первого реле.
часы и градусник поставил на место старого выключателя, как раз использовал середину заглушки:
вдали виден выключатель света, который оставлен чтоб закрыть дырку, ну и для симметрии, потом туда можно что нить полезное поставить.
Собственно всё. Кроме двух моментов. Первый: с моей посадкой обод руля частично перекрывает ручку управления светом, для меня не критично.
Второй: В зависимости от способа подключения сигнализации, возможна ситуация когда при постановке на охрану и обратно, в момент включения габаритов (если они подключены), когда на МУСе был выбран режим «авто», вместе с габаритами включатся фары и потребители на цепи 15\2, в моем случае обнаружил это по кратковременному включению мотора печки, так что можно спалить что нить, особенно если еще и обогрев стекла оставить нажатым. Так что необходима развязка по цепи габаритов после МУС, имхо достаточно диода (или реле).
Теперь осталось разобраться с корректором фар.
зы. почти год данная штука работает, не жалею о потраченных деньгах и времени
Greystranger — Иж 2126 или ОДА Ежевода со стажем
rumba:
Блин, забыл сказать, узнал что меняли. Меняли именно коробку. Извините что не сразу написал, забыл )))
PS ЧЯ у меня аналогичен ЧЯ 2114 Вот результат — реле под ЧЯ: Правда закрепить их не к чему, так что болтаются так просто…
3. Замена РН на выносной (мой вариант — от Волги 2-хуровневый «зима-лето») — не греется РН и дает больий ток… Вообщем суть — берется родной РН (2108 н/о), из него выламывается сама таблетка, остается только щеточный узел, на выводы щеток цепляем провода идущие к «новому» РН, масса на РН — с любого места…
4. Естественно проверены — зачищены — протянуты все соединения, контакты на кузове, АКБ и др.
Итог — напряжение на ХХ стабильно 14,1-14,2 В, провалов напряжения, мигания ламп не наблюдается, напряжение при вкл. фарах, печке 2 ск. обогреве стекла и магнитоле на ХХ — 13,2-13,4 В , опять же при всех возможных потребителях напряжение — 11,9-12,1 В
Добавлено 19.10.2010 19:33:46: «Продолжаем разговор…» (с) Итак заболел на днях мой Ёжик… Вообщем туго стали включаться 1 и особенно 2-я передачи, дело пошло к переборке коробки. На Ижеводском форуме меня просветили про то, что скорее всего это ступица I-II передач, и что это «самое слабое звено» ОКПП. Не долго думая в выхи авто было задрано на кирпичах, коробка была снята (без колокола сцепления) и «отпрепарирована» Итог — предварительный диагноз подтвердился — трещина, а затем (при разборке) и отколотый кусок ступицы 1-2 передач… Итого замена ступицы, чистка, разборка и проверка остальных шестеренок, а также механизма переключения, замена прокладок. Вот некоторые фото по ходу пьесы: Внутренности «Омки» —
Верхняя крышка с вилками —
«А где эта сволочь…?» (с) А ВОТ ОНА — ступица 1-2 передач
PS маленький оффтоп — достало спорить с продавцами про трансмиссионные масла класса GL-4 — откуда они взяли что GL-4 для ПЕРЕДНЕГО ПРИВОДА и что мне нужен GL-5. У меня в коробке «цветные» синхронизаторы и 5-й им противопоказан, да и по руководству именно ДжиЭл-4. Достали…
Электросхема ВАЗ 2105
Фонари задние. Схема соединений монтажного блока: Р1 — реле включения обогрева заднего стекла; Р2 — реле включения очистителей и омывателя фар; Р3 — реле включения звуковых сигналов; Р4 — реле включения электродвигателя вентиля-тора системы охлаждения; Р5 — реле включения дальнего света фар; Р6 — реле включения ближнего света фар: — номера предохранителей монтажного блока; Ш12 — условный номер штекера.
ВАЗ Оборудование и приборы. До г. С г.
Электросхема ваз 21053 карбюратор с описанием
К1 Реле включения обогрева заднего стекла К2 Реле включения очистителей омывателей фар К3 Реле включения звукового сигнала перемычка К4 Реле включения электродвигателя вентилятора К5 Реле включения дальнего света фар К6 Реле включения ближнего света фар. F1 10A Лампы света заднего хода. Электродвигатель отопителя.
Сигнализатор включения обогрева заднего стекла. Реле обогрева заднего стекла обмотка. F2 10A Электродвигатели стеклоочистителя.

Электродвигатели насоса омывателя ветрового стекла. Реле стеклоочистителя. Реле очистителей и омывателя фар контакты. F3 10A Резервный. F4 10A Резервный. F5 20A Элемент обогрева заднего стекла. Реле включения обогрева заднего стекла контакты.
Схема электропроводки ваз 2105 карбюратор с описанием 10A Прикуриватель. Часы VAZ F7 20A Звуковой сигнал. В целом в ней нет ничего сложного, но во время проведения ремонта легко запутаться в проводке, которая идет от реле к блоку с предохранителями и от замка зажигания к блоку.
Электросхемы ВАЗ-2105 «Жигули»
Левая фара габаритный свет ; Правый задний фонарь габаритный свет ; Фонари освещения номерного знака; Подкапотная лампа; Контрольная лампа включения габаритного света. Датчик указателя уровня топлива. Разъем для подключения бара.
Задние фонари. Фонари освещения номерного знака. Элемент обогрева заднего стекла. Схема соединений монтажного блока: Р1 — реле включения обогрева заднего стекла; Р2 — реле включения очистителей и омывателя фар; Р5 — реле включения дальнего света фар; Р6 — реле включения ближнего света фар; Перемычка между контактами 85 и 87 вместо реле Р3 включения звуковых сигналов — номера предохранителей монтажного блока.
Блок фара 2. Выключатель очистителя и омывателя заднего стекла. Плафоны освещения салона. Электродвигатель омывателя заднего стекла. Плафон освещения задней части схема электропроводки ваз 2105 карбюратор с описанием. Электродвигатель очистителя заднего стекла.
Проблемы при оплате банковскими картами
Иногда при оплате банковскими картами Visa / MasterCard могут возникать трудности. Самые распространенные из них:
- На карте стоит ограничение на оплату покупок в интернет
- Пластиковая карта не предназначена для совершения платежей в интернет.
- Пластиковая карта не активирована для совершения платежей в интернет.
- Недостаточно средств на пластиковой карте.
Для того что бы решить эти проблемы необходимо позвонить или написать в техническую поддержку банка в котором Вы обслуживаетесь. Специалисты банка помогут их решить и совершить оплату.
Вот, в принципе, и все. Весь процесс оплаты книги в формате PDF по ремонту автомобиля на нашем сайте занимает 1-2 минуты.
Если у Вас остались какие-либо вопросы, вы можете их задать, воспользовавшись формой обратной связи, или написать нам письмо на info@krutilvertel.com.
Электрооборудование Иж Ода
Провода и предохранители
Электрооборудование автомобилей моделей ИЖ-2717–220 и Иж-27171–020
Возможные неисправности стартера, их причины и способы устранения
Система зажигания двигателя мод. 331
Электрооборудование автомобилей моделей ИЖ-2717–230 и ИЖ-27171–030
Возможные неисправности генератора Г-222 (372-3701), их причины и способы устранения
Система зажигания двигателя модели 2106
Электрооборудование автомобилей моделей иж-27171–020 и иж-27171–030
Система управления экономайзером принудительного холостого хода (ЭПХХ)
Возможные неисправности блока управления ЭПХХ, их причины и способы устранения
Возможные неисправности системы ЭПХХ, их причины и способы устранения
Возможные неисправности микропереключателя, их причины и способы устранения
Возможные неисправности электромагнитного клапана, их причины и способы устранения
Реле включения фар
Реле-прерыватель указателей поворота и аварийной сигнализации
Стеклоочиститель ветрового стекла
Возможные неисправности стеклоочистителя ветрового стекла, их причины и способы устранения
Возможные неисправности электродвигателя воздухонагнетателя, их причины и способы устранения
Однопроводная схема
Однопроводная схема допускается на распределительных нефтебазах с небольшим грузооборотом, двухпроводная — на нефтебазах всех типов и трехпроводная — при необходимости компаундирования нефтепродуктов и зачистке большого количества остатков в резервуарах.
Однопроводная схема электрооборудования мотовоза состоит из электрооборудования дизеля, электрических цепей управления, освещения и других и питается напряжением 24 — 28 в постоянного тока.
Составление расчетной однопроводной схемы для системы симметричных двухпроводных линий проводится в соответствии с рассмотренными примерами на основе следующих правил.
Выполненная по однопроводной схеме система имеет номинальное напряжение 24 В. Отрицательные выводы источников и потребителей электроэнергии соединены с металлическими частями автомобиля — его массой, которая выполняет функцию второго провода.
На тракторах применяется однопроводная схема соединения приборов электрооборудования, при которой источники электрической энергии и ее потребители соединены одним проводом, а в качестве второго используются проводящие электрический ток металлические части ( масса) трактора. Для отечественных тракторов принято обязательное соединение с массой отрицательного полюса источников электрической энергии.
На тракторе применена однопроводная схема включения приборов электрооборудования. Во всех цепях электропроводки использованы провода низкого напряжения ПГВА с полихлорвиниловой изоляцией. Для удобства монтажа провода имеют различную расцветку, параллельно идущие пучки проводов соединены в жгуты с оплеткой или обмоткой хлорвиниловой лентой. В жгутах проводов допускается замена цвета одного провода цветом другого, не входящего в данный жгут.
Электрооборудование выполнено по однопроводной схеме — отрицательные выводы источников и потребителей электроэнергии соединены с массой, которая выполняет функцию второго провода.
Электрооборудование выполнено по однопроводной схеме.
|
Механизм регулирования выдержек и Синхроустройство. |
Синхроустройство собрано по однопроводной схеме. Вторым проводом является корпус фотоаппарата.
Электрооборудование выполнено по однопроводной схеме.
Электрооборудование выполнено по однопроводной схеме — отрицательные выводы источников и потребителей электроэнергии соединены с массой, которая выполняет функцию второго провода.
|
Размещение электрооборудования на автогрейдере ДЗ-98. / — задний фонарь ( указатель поворота, 2, 14 — катафоты, 3 — аккумуляторная батарея, 4, 8 — задняя и передняя фары, 5 — плафон кабины, 6 — вентилятор, 7 — фара кабины, 9 — подфарник, 10 — щиток приборов, / / — ножной переключатель света, 12 — штепсельная розетка, 13 — сигнал, IS — реле-регулятор, 16 — выключатель батарей ( массы, 17 — реле стартера, 18 — отопитель кабины, 19 — стартер, 20 — электродвигатель насоса подкачки топлива, 21 — электродвигатель вентилятора, 22 — генератор, 23 — электродвигатель насоса подкачки масла. 24 — фонарь стоп-сигнала. |
Приборы электрооборудования соединены по однопроводной схеме, при которой второй провод заменен металлическими деталями автогрейдера — массой. К массе подсоединяют отрицательные выводы источников электроэнергии, а также один из полюсов всех потребителей.
Электрооборудование маслозаправщика выполнено по однопроводной схеме. С корпусом ( массой) маслозаправщика соединены отрицательные клеммы потребителей электрической энергии.
Что такое электрическая схема?
Отыщите конденсаторы, расположенные около входа каскада, а также на его выходе
Однако на самом деле разбираться в них важно для каждого автомобилиста, ведь если вы знаете, как читать электрические схемы, впоследствии сможете значительно сэкономить на услугах профессиональнов. Уметь читать такие схемы довольно важно для всех, у кого есть автомобиль, ведь это поможет сэкономить очень много денег на услугах специалиста
Как сказано выше, любая бортовая сеть включает в себя источники энергии, потребители, проводники, а также компоненты управления.

Датчик 3-х выводной.

Вам стоит определить место объединения электрода с выводом нагрузки, так как в данном месте усиленный сигнал полностью снимается с каскада. Типы цепей В первую очередь вам нужно научиться отличать стандартные цепи питания от сигнальных.

На схемах провод при входе в жгут имеет наклон в сторону, куда он проложен. Повышение температуры деталей ускоряет их окисление.

Именно по указанной причине многие люди, которые занимаются этим профессионально, штудируют специализированные учебники по схемотехнике.

Если то или иное число отмечено в кружке, то это говорит о том, что перед вами соединение проводника с минусом. Эти устройства обычно располагаются децентрализованным образом.

К примеру, ЗЧ — зелено-черный, ЖГ — желто-голубой и т. Как читать электросхемы VAG, Часть 1






























