Магнетизм и электромагнетизм
Все знают, что такое магнит. Также все замечали, что магниты притягивают к себе стальные предметы не только при непосредственном соприкосновении, но и на расстоянии, что свидетельствует о наличии вокруг них магнитного поля. Каждый магнит имеет два полюса, которые условно называют северным (N) и южным (S). При сближении одноименных полюсов двух магнитов они отталкиваются, а при сближении разноименных полюсов- притягиваются.
Магнитное поле, созданное вокруг магнитов, состоит из магнитных силовых линий, направленных от северного полюса к южному. С удалением от магнита величина магнитного поля уменьшается.
Магнитное поле вокруг проводника с током
Если через проводник пропустить электрический ток, то вокруг него создается кольцевое магнитное поле без выраженных полюсов. Если же проводник свернуть в виде спирали, то при прохождении по нему тока магнитное поле образует на концах спирали полюса- северный и южный. Если в середину такой катушки поместить стальной сердечник, то образуется электромагнит, имеющий все свойства обычного магнита (очень наглядно это показано в мультфильме “Ивашка из дворца пионеров”, где главный герой с помощью электромагнита расправляется с Кащеем Бессмертным).
Простейший электромагнит
Магнитное поле электромагнита можно увеличивать или уменьшать, изменяя силу тока или количество витков катушки. С увеличением силы тока или количества витков электромагнита увеличивается его магнитное поле.
Если проводник с током поместить в магнитное поле магнита (электромагнита), то в результате взаимодействия магнитных полей проводника и магнита проводник будет выталкиваться, т.е. электрическая энергия будет превращаться в механическую. На этом явлении основана работа электродвигателей.

Принцип работы генератора

Принцип работы электродвигателя
Для превращения механической энергии в электрическую используют явление электромагнитной индукции. Если замкнутый проводник вращать в магнитном поле, то в проводнике возникает электрический ток. Величина тока зависит от длины проводника, скорости пересечения,плотности магнитного поля и угла, под которым пересекаются магнитные силовые линии. На этом явлении основана работа генератора.
Вы, конечно же обратили внимание, что картинки практически одинаковы? Не удивляйтесь, это свидетельство обратимости электрических машин. Обратимость электрических машин — одинаковое устройство преобразователей электрической энергии в механическую и механической в электрическую
Таким образом, электрические машины взаимозаменяемы: любой электродвигатель может использоваться в качестве генератора и наоборот. Приоритетная функция электрической машины определяет её конструктивные особенности, вследствие которых обратимость становится неравномерной. Говоря по-русски, электрогенератор будет работать лучше, чем используемый в качестве генератора соответствующий по размерам электродвигатель, и наоборот.
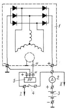
Схема электрооборудования автомобиля ЗИЛ-130
Система электрооборудования автомобиля ЗИЛ-130 однопроводная. Отрицательные клеммы источников тока соединены с массой автомобиля. Номинальное напряжение 12 В. На автомобиле применяются провода низкого напряжения типа ПГВА и высокого напряжения типа ПВВ.
Проверка проводов на исправность изоляции проводится внешним осмотром. При обнаружении оголенного места на проводах низкого напряжения надо его изолировать (обмотать) изоляционной лентой. Провода высокого напряжения с пробитой изоляцией заменяются новыми и ремонту не подлежат.
Для определения обрыва провода нужно применять пробник с контрольной лампочкой. Для выявления места обрыва провод с пружинным наконечником присоединяют к массе, а острием наконечника начинают касаться зажимов цепи в направлении от неработающего прибора к аккумуляторной батарее. При большом расстоянии между зажимами или при их отсутствии можно прокалывать изоляцию провода острием наконечника.
Проверка ведется до тех пор, пока лампочка не загорится. Место обрыва провода будет находиться между точкой касания, в которой лампочка загорелась, и ближайшей к ней точкой, где лампочка еще не горит. Оборванный провод надо заменить. В качестве временной меры можно соединить концы оборванного провода и обмотать место соединения изоляционной лентой.
При замыкании провода на массу следует проверить изоляцию провода. Так как цепь многих потребителей тока защищена предохранителями, то обычно цепь, в которой произошло замыкание, немедленно размыкается соответствующими предохранителями.
Для устранения замыкания внимательно осмотреть все провода и обнаруженные участки с поврежденной изоляцией обернуть изоляционной лентой.
Для поддержания электропроводки в исправном состоянии и предупреждения перетирания проводов необходимо очищать провода от грязи и пыли, проверять скобы крепления проводов.
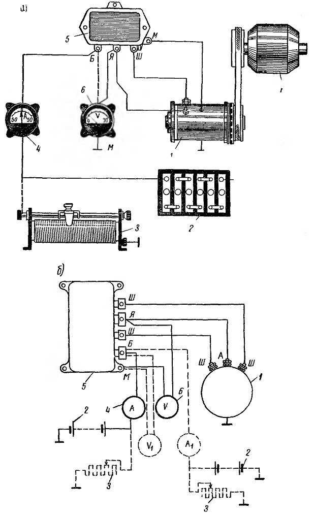
Проверка и ремонт деталей и узлов стартеров
После разборки все детали стартера должны быть подвергнуты проверке для определения их годности.
Неравномерный износ шеек вала устраняется зачисткой или шлифованием. Взаимное биение шеек допускается не более 0,1 мм.
Осмотреть коллектор, рабочая поверхность которого должна быть гладкой и не иметь значительного подгара.
Протереть коллектор в случае сильного загрязнения или подгара ветошью, смоченной в бензине. Зачистить коллектор шлифовальной шкуркой (ПБ, 15 А4 МА, ГОСТ 6456…82*), если грязь или подгар не устраняются протиркой. При значительном износе коллектора якоря необходимо его проточить.
Шероховатость поверхности Rа должна быть не менее 1,25 мкм, а биение коллектора относительно крайних шеек вала не более 0,05 мм. Допускается уменьшение диаметра коллектора на 3 мм против номинального.
Неполадки и сбои электросистем
Электрооборудование ЗИЛ-131 может выходить из строя и давать неполадки в отдельные составляющие системы. Признаками поломки может быть работа:
- Генератора – перебои, колебания или отсутствие регулярного зарядного тока;
- Стартера – не запускается, при работе слышны посторонние звуки, не отключается вовремя;
- Аккумулятора – стремительное падение заряда, при зарядке происходит повышение плотности, снижение уровня, утечка электролита и т.д.;
- Системы зажигания – отсутствие искры, пробит кабель высокого напряжения, нарушены контакты.
Причиной поломки и выхода из строя электрической схемы российского грузовика ЗИЛ-131 может стать как физический контакт, так и:
Неполадки и сбои электросистем
Электрооборудование ЗИЛ-131 может выходить из строя и давать неполадки в отдельные составляющие системы. Признаками поломки может быть работа:
- Генератора – перебои, колебания или отсутствие регулярного зарядного тока;
- Стартера – не запускается, при работе слышны посторонние звуки, не отключается вовремя;
- Аккумулятора – стремительное падение заряда, при зарядке происходит повышение плотности, снижение уровня, утечка электролита и т.д.;
- Системы зажигания – отсутствие искры, пробит кабель высокого напряжения, нарушены контакты.
Причиной поломки и выхода из строя электрической схемы российского грузовика ЗИЛ-131 может стать как физический контакт, так и:
Особенности машины
Грузовик характеризуется высокой износостойкостью, прочностью, надежностью, но, тем не менее, данные эксплуатационные характеристики не помешали выпустить заводу еще три модификации машин с мотором дизельного и карбюраторного типа, а также проводкой для хозяйственных работ.
Грузовая машина Зил-131 имеет систему зажигания бесконтактного вида, она дополнена и электрическим коммутатором. Эта деталь характеризуется минимальным количеством электронных компонентов, гарантируя машине длительное применение, износостойкость, безопасность и работоспособность при разных температурах, влажности и т. д. Транспорт активно использует экранированную герметичную проводку, позволяющую работать в сложных условиях, при плохой погоде.
Как проверить стартер
Чтобы проверить функционирование, необходимо осуществить осмотр на стенде без нагрузки по схеме. Электродвигатель нужно включить на время до 1 минуты.
В случае несоответствия величин частоты вращения якоря запчасти и показателей потребляемого тока с цифрами из технической документации понадобится проверить стартер на полноценную работоспособность и выполнить ремонт.
Разбор элемента ЗИЛ 131 происходит в следующей последовательности по схеме:
- Отворачивают гайку, отсоединяют выход реле от болта.
- Откручивают 3 винта, снимают кожух.
- Откручивают винты, которые крепят реле к крышке стартера, и снимают его.
- Достают щетки из держателя.
- Отворачивают шпильки стартера, снимают крышку.
- Снимают корпус стартера.
- Отвинчивают гайку, которая крепит ось рычага, выворачивают ось и достают рычаг.
- Вынимают якорь, снимают с его вала упорную шайбу, потом кольцо при помощи отвертки и сам якорь.
По окончании разборки необходимо выполнить проверку всех конструктивных элементов системы для оценки их пригодности и корректной работы.
Схема электропроводки зил 131 цветная с описанием
Схема подключения стартера ЗИЛ 131
3 — шунт указателя тока;
4 — аккумуляторная батарея;
В некоторых случаях происходит неравномерное изнашивание у шеек вала. В таком случае необходимо выполнить зачистку или отшлифовать деталь. Биения между шейками не должны превышать значение в 0,1 мм.
Далее нужно посмотреть состояние коллектора. Внешняя поверхность должна иметь гладкую структуру, без признаков видимого подгара. Если запчасть находится в чрезмерно загрязненном виде, или заметен подгар, берут ветошь, смачивают ее в бензине и протирают ей те места.
Зачистка коллектора при помощи специальной шлифовальной шкурки марок ПБ, 15 15 А4 МА, ГОСТ 6456…82* осуществляется в случае, если простая протирка тряпкой не помогла. Если коллектор сильно изношен, то требуется проточить.
Цветная электрическая схема электрооборудования ЗИЛ 131 и 130 с описанием проводов
Автомобиль ГАЗ 31105ГАЗ 3110ГАЗ 2705 — Газель Многоцелевой грузовик ЗИЛ 131 многие годы использовался в армии, и после модернизации его продолжают эксплуатировать в различных отраслях народного хозяйства. В статье рассматривается электрооборудование грузовика, основные неисправности, дается схема электрооборудования ЗИЛ 131 цветная.

Особенности электрооборудования
С 1966 по 1086 год ЗИЛ 131 выпускался в неизменном виде (автор видео — Иван Зенкевич PRO автомобили).
Затем вышли три его модификации:
- с карбюраторным двигателем;
- с дизельным двигателем;
- с неэкранированной проводкой для гражданских нужд.
Грузовик имеет высокие эксплуатационные качества, но кроме них в его конструкции есть особенности, которые отечественные производители не применяли на других машинах:
- установлен бензиновый двигатель с 8-ю V-образным расположением цилиндров, имеющий 16 клапанов;
- традиционная система зажигания заменена на бесконтактную, оборудованную электронным коммутатором;
- использование экранированной герметичной электропроводки позволило эксплуатировать ЗИЛ 131 в любых погодных условиях.
Как определить неисправность?
Неполадки, связанные с электрооборудованием, можно определить по следующим признакам:
- Генератор: не дает зарядный ток, шум подшипников во время работы, зарядный ток большой силы.
- Стартер: не работает; не вращает коленвал двигателя; ротор вращается, но не вращает коленвал; при включении слышны частые щелчки втягивающего реле; после пуска мотора стартер не отключается.
- Аккумуляторная батарея: быстро разряжается; быстро уменьшается уровень электролита в батарее; из отверстий для вентиляции проливается электролит; во время зарядки незначительное повышение плотности электролита.
- Система зажигания: нарушены контакты в соединениях компонент системы зажигания, не запускается силовой агрегат.

Возможные неполадки проводки
Недостатком бесконтактной системы грузовика в былые времена являлось недостаточное количество электронных деталей и их надежность для эксплуатации в суровых погодных условиях.
Неполадки проводки могут возникнуть по причине:
- обрыва цепи;
- повреждения токоведущих элементов: жил, контактов, проводов;
- плохого контакта в местах соединения;
- окисление клемм и контактов;
- повреждения изоляции;
- отсутствия питания.
Обрыв в электрической цепи можно определить с помощью вольтметра или контрольной лампочки.
Оборванные провода нужно заменить целыми. Если нет возможности сделать замену, можно временно соединить оборванные концы провода, обмотав их изоляционной лентой.
Следует следить за чистотой контактов, иначе ток не сможет пробивать образовавшуюся из масла или окиси пленку.
Электрическая схема
В грузовом автомобиле ЗИЛ 131 установлена однопроводная система электрооборудования с номинальным напряжением 12 В. С корпусом машины соединены минусовые клеммы источников питания.
Фотогалерея «Схемы электрооборудования ЗИЛ»
Видео «О двигателе ЗИЛ 131 »
В этом ролике рассказывается о двигателе ЗИЛ 131 с описанием его работы (автор видео — Азбука Автозапчастей Острогожск).
ЗИЛ ЗИЛ 131 Схема электрооборудования автомобиля ЗИЛ-131Н и седельного
| 114-3733024 | Реле электромагнита типа РС523 в сборе | Поиск по номеру |
| 130-3721062 | Устройство контактное с крышкой в сборе | Поиск по номеру |
| 130-3722105 | Предохранитель 6А | Поиск по номеру |
| 130-3722210 | Предохранитель 7,5А | Поиск по номеру |
| 130Т-3704010-А | Выключатель зажигания типа ВК350 в сборе | Поиск по номеру |
| 130Т-3708110-А | Реле включения стартера типа РС502 в сборе | Поиск по номеру |
| 130Т-3709010 | Переключатель света центральный типа П44-А в сборе | Поиск по номеру |
| 130Т-3709060-20 | Переключатель указателей поворота типа П105А-01 | Поиск по номеру |
| 130Т-3714010-Б | Плафон кабины типа ПК201 в сборе | Поиск по номеру |
| 130Т-3715010-А1 | Лампа переносная типа ПЛТ67-А в сборе | Поиск по номеру |
| 130Т-3715060-А | Лампа подкапотная типа ПД308-А в сборе | Поиск по номеру |
| 130Т-3721020-02 | Сигнал звуковой типа С311-01 в сборе | Поиск по номеру |
| 130Т-3723043 | Панель соединительная четырехконтактная типа ПС2-А2 в сборе | Поиск по номеру |
| 130Т-3726038 | Фонарь сигнальный типа УП101 в сборе | Поиск по номеру |
| 130Т-3730010 | Электродвигатель отопителя типа 192.3730 в сборе (35 Вт) | Поиск по номеру |
| 130Т-3730166 | Сопротивление электродвигателя дополнительное типа СЭ300 в сборе | Поиск по номеру |
| 130Т-3803021 | Контрольная лампа типа ПД20-Е | Поиск по номеру |
| 130Т-3806040-01 | Датчик указателя уровня топлива типа БМ117-Д-Т в сборе | Поиск по номеру |
| 130Т-3808012 | Датчик указателя температуры воды типа ТМ-100-В в сборе | Поиск по номеру |
| 130Т-3808014 | Датчик лампы перегрева воды в радиаторе типа ТМ-102 в сборе | Поиск по номеру |
| 131-3702010-11 | Реле-регулятор типа РР132А в сборе | Поиск по номеру |
| 131-3703010-А | Аккумуляторная батарея типа 6СТ-90ЭМ (с электролитом) в сборе | Поиск по номеру |
| 131-3703140 | Выключатель массы аккумуляторной батареи типа ВК318-Б | Поиск по номеру |
| 131-3705050-Б | Резистор цепи катушки зажигания СЭ326 | Поиск по номеру |
| 131-3706010-20 | Датчик-распределитель 43.3706 в сборе | Поиск по номеру |
| 131-3707010 | Свеча зажигания типа СН307-В в сборе | Поиск по номеру |
| 131-3708010-01 | Стартер типа СТ2А в сборе | Поиск по номеру |
| 131-3709036 | Переключатель света фар ножной типа П53 | Поиск по номеру |
| 131-3710136-Б | Выключатель типа ВК-403 в сборе | Поиск по номеру |
| 131-3710142 | Выключатель типа ВК38-Б в сборе | Поиск по номеру |
| 131-3710600-01 | Выключатель управления реле типа 4607.3710 в сборе | Поиск по номеру |
| 131-3711010-А | Фара типа ФГ122П в сборе | Поиск по номеру |
| 131-3712010-Б | Фонарь передний типа ПФ133А в сборе | Поиск по номеру |
| 131-3713230-Б | Патроны ламп освещения приборов с проводами типа ПП126-К в сборе | Поиск по номеру |
| 131-3714320 | Фонарь освещения кабины типа ФП12-Б в сборе | Поиск по номеру |
| 131-3715020 | Штепсельная розетка типа ПС400 в сборе | Поиск по номеру |
| 131-3716010-Б | Фонарь задний типа ФП133А | Поиск по номеру |
| 131-3717010 | Фонарь освещения номерного знака типа ФП134 в сборе | Поиск по номеру |
| 131-3720010-А2 | Выключатель сигнала торможения типа ВК13-Б в сборе | Поиск по номеру |
| 131-3721300-А | Сигнал-зуммер типа С205-Б в сборе | Поиск по номеру |
| 131-3727012-А | Фара-прожектор типа 17.3711 с рукояткой в сборе | Поиск по номеру |
| 131-3733010 | Электромагнит привода воздушного клапана типа РС326 в сборе | Поиск по номеру |
| 131-3734010 | Коммутатор транзисторный типа ТК200 в сборе | Поиск по номеру |
| 131-3734012 | Вибратор аварийный типа РС 351 в сборе | Поиск по номеру |
| 131-3810090-Б | Манометр давления воздуха в шинах типа МД223-Б в сборе | Поиск по номеру |
| 131-7904044 | Фильтр конденсаторный типа ФР132 | Поиск по номеру |
| 150Ю-3713240 | Патрон контрольной лампы | Поиск по номеру |
| 150Ю-3713300 | Переключатель типа П20-А2 в сборе | Поиск по номеру |
| 150Ю-3715020 | Штепсельная розетка типа 47К в сборе | Поиск по номеру |
| 150Ю-3722150 | Предохранитель термобиметаллический типа ПР2-Б | Поиск по номеру |
| 150Ю-3723032 | Панель соединительная трехконтактная типа ПС1-А2 в сборе (для моделей 131Н и 131НА с односкоростной коробкой отбора мощности) | Поиск по номеру |
| 150Ю-3723076 | Панель двухконтактная типа ПС4-А2 в сборе | Поиск по номеру |
| 152Ю1-7904030 | Фильтр радиопомех цепи катушки зажигания типа ФР82-Ф в сборе | Поиск по номеру |
| 155Ю-3713300 | Выключатель типа ВК26-А2 в сборе | Поиск по номеру |
| 157Г-7904200 | Конденсатор электродвигателя отопителя типа КБП-С 125-40-1 +/-20% | Поиск по номеру |
| 157КЮ-3730020 | Электродвигатель вентилятора типа МЭ11 в сборе | Поиск по номеру |
| 164Ю-3716110 | Розетка штепсельная прицепа типа ПС300А-100 в сборе | Поиск по номеру |
| 164Ю-3723079 | Панель соединительная пятиконтактная типа ПС5 в сборе | Поиск по номеру |
| 164Ю-3726026 | Прерыватель указателей поворота типа РС57 в сборе | Поиск по номеру |
| 164Ю-3803025 | Контрольная лампа указателей поворота типа ПД20-Д | Поиск по номеру |
| 375-3701010 | Генератор типа Г287Б в сборе |
banga.ua
Политика модификаций
Имея столь серьезную поддержку и признание, автозавод с 1967 года получил заказы на модификацию ЗИЛ 130. Особо следует выделить 2 направления:

Модификация ЗИЛ 130С
В 70-е годы в Сибири были открыты многие месторождения полезных ископаемых. Цена добычи была низкой, и для их разработки требовались грузовые автомобили, способные работать в суровых климатических условиях.

О том, с какими трудностями сталкивались автомобили в условиях Крайнего Севера, вы можете судить по видео, представленному в нашей статье. Это черно-белая копия, воссозданная из архивных материалов Завода имени Лихачева, наглядно демонстрирует возможности грузового автомобиля ЗИЛ 130 С.
Тематическое видео смотрите в конце статьи.
Среди комплектации ЗИЛ 130С (Сибирь) следует отметить особенности электрооборудования:

Специальные версии
Также грузовые модификации различались по заказчикам:
В частности, для армейских нужд автозавод приступил к выпуску автомобиля ЗИЛ-130Е, на который:

Исторический экскурс
Вполне логично, что прошлые наработки завода, а именно комплектующие от тяжелых грузовых авто решено было максимально унифицировать с новым классом:
- На ЗИЛ 5301 устанавливалась кабина типа 4331;
- В трансмиссии использовалась коробка передач от ЗИЛ 130.
За 1995 год была изготовлена опытно-промышленная партия из 200 авто, которая приступила к полноценным натурным испытаниям, а видео о новой модели тут же облетела все новостные телеканалы страны:
- По итогам года результат обкатки признан успешным;
- Концепция «мерседесовского шасси» одобрена в качестве платформы;
- Базовой моделью фургона стал ЗИЛ-5301 с трехсекционным кузовом объемом 15,5 м. куб.;
- Серия ЗИЛ 5301 получила собственное имя «Бычок», из-за кабины с высоким расположением фар, напоминавшим очертания животного;
- За 1996 год выпуск «Бычков» составил 1350 автомобилей.
![]()
Конструкторы пытались максимально унифицировать детали нового грузовика
Устройство
Конструкция этого автомобиля включает в себя такие механизмы и детали, как:
- Электрооборудование, отвечающее за световую и звуковую сигнализацию, ближний и дальний свет и т.д.
- Трансмиссию, которая представляет собой ходовую часть транспортного средства.
- Механизм рулевого управления и пневматическая подвеска ЗИЛа.
- Силовой агрегат, оснащенный карбюратором, насосным элементом и жидкостной системой охлаждения.
- Механизм торможения независимого типа. Система представлена вспомогательным, стояночным и рабочим тормозом.
- Механизм сцепления, колеса и шины транспорта.
- Пневматическая система, в которую входит компрессор, штуцер, хомут и шланги.
- Кабина водителя и грузовая платформа.
Электрооборудование
Схема электрооборудования цветная и с описанием есть в руководстве по ремонту транспорта.
Отрицательные клеммы всех электрических приборов и устройств ЗИЛа подключены к массе автомобиля. Номинальное напряжение в цепи проводки составляет 12 В. Электросхема представлена проводами низкого напряжения ПГВА и проводами высокого напряжения ПВВ.
Если обрыв произошел на проводах низкого напряжения, то можно обмотать место повреждения изоляционной лентой. Если обрыв произошел на проводах высокого напряжения, их следует заменить, т.к. они не подлежат ремонту. Для определения обрыва рекомендуется воспользоваться пробником, оборудованным контрольной лампой.
КПП
Трансмиссия включает в себя следующие элементы:
- вал ведущего типа;
- подшипник;
- стопорные и уплотнительные кольца;
- фиксирующий пружинный механизм;
- зубчатые колеса;
- вилка переключения скоростей;
- втулка;
- пробка контрольно-заливочного отверстия;
- осевое устройство промежуточного рычага;
- ведомый вал;
- спидометр;
- штифт.
Коробка передач оборудована шестернями, необходимыми для включения второй, третьей и четвертой передачи.
Сборка механизма после проведения ремонтных работ осуществляется только при отключенном силовом агрегате.
Передаточные числа механизма:
- первая передача — 6,45;
- вторая передача — 3,56;
- третья передача — 1,98;
- четвертая передача — 1,275;
- пятая передача — 1,00.
Рулевое управление
Рулевое управление ЗИЛа состоит из:
- насоса гидравлического усилителя;
- бака;
- шланга низкого давления насосного элемента;
- рулевой колонки управления;
- переключателя;
- карданного вала;
- крепежных элементов;
- картера;
- рейки;
- клина, который нужен для крепления карданного вала;
- контактного устройства;
- трубы высокого давления;
- сошки;
- масляного радиатора.
Гидравлический усилитель рулевого механизма дает возможность снизить уровень нагрузки и усилия, которое прикладывается для поворота передних колес транспорта. Это устройство способствует смягчению ударов во время езды по бездорожью и позволяет сохранить контроль над управлением автомобиля, если произошел разрыв шины переднего колеса.
Кузов
Габариты и объем кузова:
- длина — 6675 мм;
- высота — 2400 мм;
- объем — 5 м3 .
Допустимый угол подъема самосвальной платформы составляет 50°. Разгрузка может осуществляться назад, в правую или левую сторону. Площадь платформы составляет 8,7 м2 , а параметры — 2325-3752 мм.
Конструкция кузовной части транспортного средства включает в себя:
- борта;
- крепежные элементы;
- основание;
- шпингалеты;
- натяжные петли;
- продольный брус;
- раму;
- хомут;
- брызговик;
- кронштейн и болт кронштейна;
- вспомогательный брусок.
Общее количество бортов — 6. Основание конструкции выполнено из прочного металла, есть возможность установки тента. Настил на основании выполнен из дерева, а борта представлены в виде профилированных панелей, которые изготовлены из листовой стали.




























